
2022-05-06|admin
WPSFN is a NEUGART geared right-angle planetary gearbox with flanged output shaft and hollow shaft, which can be easily and quickly integrated into the system thanks to the standardized flange interface. The quality of the machined surface is achieved by optimizing the synchronizing function through the hypoid and helical planetary system. Download the drawings of the angular disc output planetary gearbox, download the model drawings of the full series of gearboxs, and download the drawings of the gearbox with different sizes and speed ratios.
WPSFN flange right angle gearbox structure and dimension drawing:
Dimensional drawing of WPSFN64 right angle flange gearbox
Dimensional drawing of WPSFN90 right angle flange gearbox
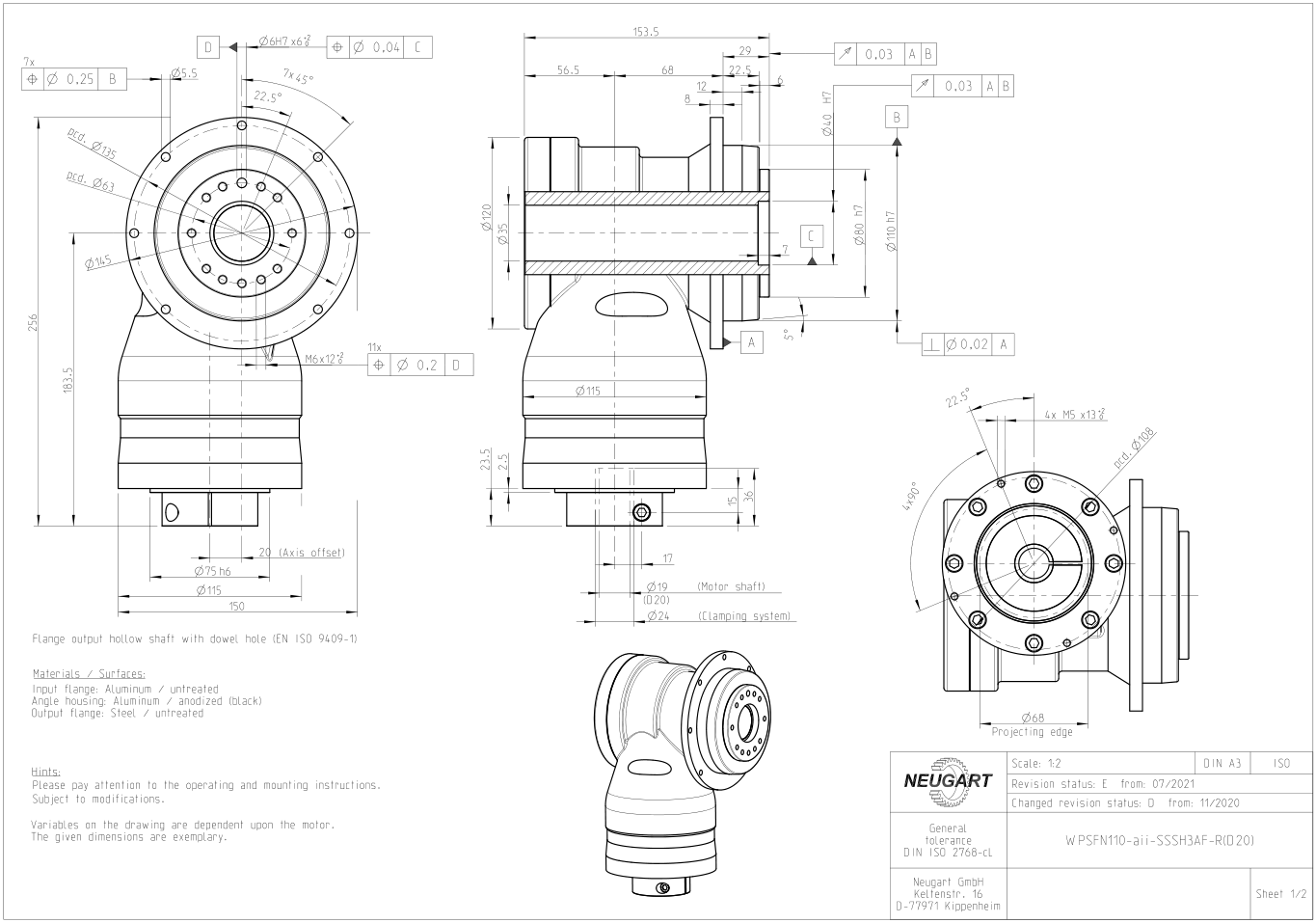
Dimensional drawing of WPSFN110 right angle flange gearbox
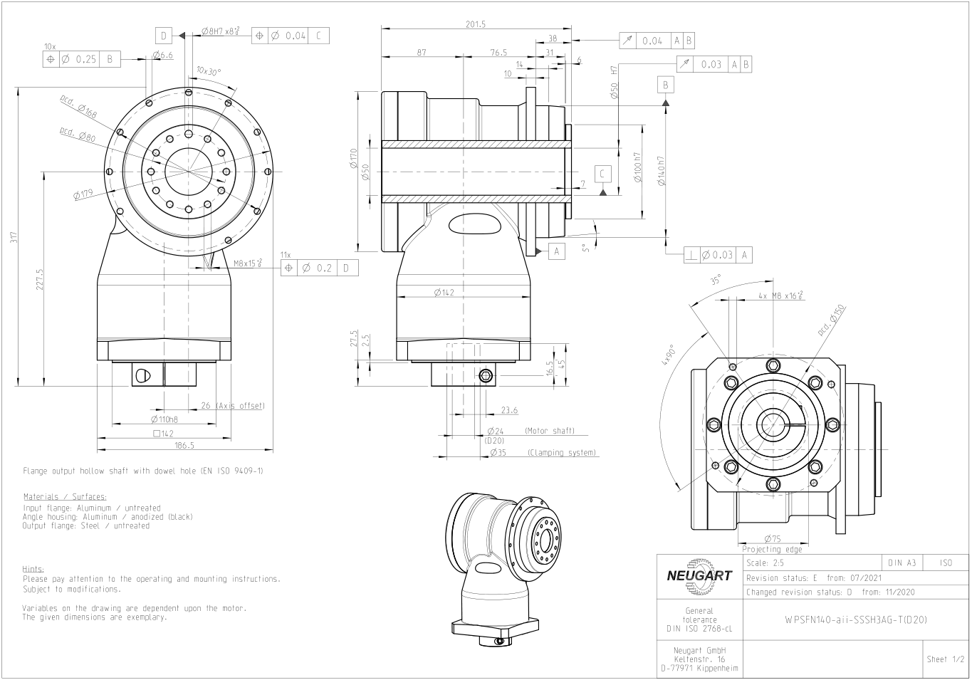
Dimensional drawing of WPSFN140 right angle flange gearbox
WPSFN flange right angle hollow shaft gearbox dimension drawing download:
WPSFN064 reference drawing.zip
WPSFN090 reference drawing.zip
WPSFN110 reference drawing.zip
WPSFN140 reference drawing.zip
