
2022-05-06|admin
The PSFN flanged planetary gearbox adopts a standardized flange interface and is equipped with self-developed high-precision gears. This gearbox has a high anti-tilting moment and can complete many difficult tasks. The dimension drawings of all series of PSFN gearboxs can be downloaded online. For specific gearbox selection, you can contact technical assistance for selection, and provide motor model or required parameter load for selection. Professional selection software - NCP, can complete the configuration of the entire motor and gearbox combination in a few minutes according to the input application data. Comprehensive data covering over 17,000 motors from all common manufacturers. Free NCP is available to you.
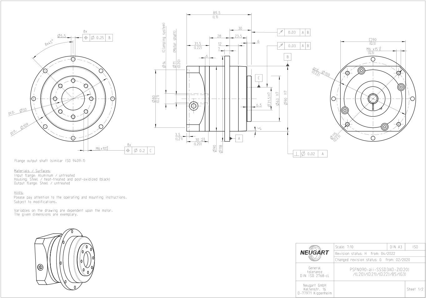
Example of structure diagram of PSFN planetary gearbox:
PSFN60 gearbox size drawing
PSFN90 gearbox size drawing
PSFN110 gearbox size drawing
PSFN gearbox dimension drawing download:
